Pressure Accumulator
Accumulator power drive systems are the most common hydraulic power drives used in ordnance equipment. Instead of having the output flow of the pump of the system being put directly to use operating a mechanism, it is pumped into an accumulator flask. The prime function of the accumulator is to store a volume of fluid under pressure. As the system demands fluid, it is supplied from the flask. The pressure regulator we just described monitors the pressure in the flask, keeping it within prescribed limits. Systems that require a high volume of fluid under pressure will be equipped with several flasks.
Figure 4-19 shows the most common type of accumulator-the gas-operated, bladder type of flask. This accumulator flask uses a nitrogen-filled bladder inside a steel cylinder. The cylinder has a poppet valve to keep the bladder from being pushed into the output line by its nitrogen pressure when the system is not energized. The bladder, filled with nitrogen to a certain pressure, is compressed by the fluid as the cylinder fills. When the upper level pressure is reached, fluid flow from the pump to the accumulator is stopped. The bladder pressure then continues to cause fluid flow, maintaining system pressure. Without the accumulator flasks, the pump of the system could easily fall behind system requirements during times of peak demand.
Pumps and Power Drives
The purpose of a hydraulic pump is to supply a flow of fluid to a hydraulic system. The pump does not
Figure 4-19.-A gas-operated, bladder type of accumulator.
Figure 4-20.-A rotary gear pump.
produce pressure. The pressure is developed in the system due to the resistance of the system to fluid flow. Pumps can be of several different types, but the most common are the rotary gear pump and the axial piston pump.
The rotary gear pump (fig. 4-20) operates by trapping fluid at the inlet (suction) port and forcing it through the discharge port to the system. The gear pump is used throughout ordnance systems to supply fluid flow at a variety of pressures. They are most efficient, however, at pressures around 500 psi. There are several configurations and modifications of the gear pump. These will not be discussed in this text.
The axial piston pump is used in most power drives that require either a variable output or a high-volume output. First, let's describe the principle of operation, then we can show how they are used.
Figure 4-21 shows how the output of an axial piston pump is varied. The pump uses pistons attached to a movable tilt plate. The pistons and cylinder barrel rotate together, driven by an electric motor, between the tilt plate and the valve plate. The tilt plate is moved either left or right by stroking pistons. The larger the tilt angle, the longer the piston stroke and the larger the quantity of pump output. The direction of flow is reversed by reversing the direction of tilt. When the
Figure 4-21.-Operation of the axial piston pump. 4-15
Figure 4-22.-A hydraulic CAB unit.
piston stroke is on zero stroke, there is no pump output, even though the pump is still rotating.
This configuration of the axial piston pump is used primarily for the train and elevation power drives, magazine ready service rings, and loaders on gun mounts and missile launchers. The pump output is used to drive a hydraulic motor. The only difference between the pump (A-end) and the hydraulic motor (B-end) is that the tilt plate is set at a permanent angle. These combination A-end pumps and B-end motors are referred to as CAB units. Figure 4-22 shows a CAB unit setup. The pump output is transmitted to the motor, which operates just the reverse of the pump. The pump takes a mechanical input and turns it into a variable bidirectional hydraulic output. The motor takes a variable hydraulic input and converts it to a variable bidirectional mechanical output.
Another common configuration uses the same pump but with a fixed angle tilt plate. The pump has a constant output that is supplied to an accumulator system with a pressure regulator. This type is used to power most gun mount and missile launcher loading systems. YDRAULIC MECHANISMS
Now that we have seen the basic components of a hydraulic system, let's take a look at a hydraulic mechanism. Up to now, we have pumped the hydraulic fluid from the reservoir through the filter and have it regulated to the desired pressure. Now, let's have it do some work.
Glance back to figure 4-8. This is the illustration of the 5"/54 carrier ejector mechanism we used as an example of a mechanical ordnance device. The
Figure 4-23.-Solenoid housing and valve block.
linkages in the ejector are operated by hydraulic pistons. The pistons extend and retract to operate the ejector. The fluid that moves the pistons is controlled electrically by solenoids. Figure 4-23 shows the inside of a solenoid housing and valve block.
Notice that there are two solenoids attached to the same linkage at opposite ends. The linkage has a pivot point in the middle. The pivot is actually a shaft that extends through the solenoid housing into a hydraulic valve block. The linkage is keyed to the shaft so that when one of the solenoids is energized and moves the lever, the shaft will rotate. Inside the valve block (fig. 4-23), the shaft is attached to a valve. As the shaft is rotated, it positions the valve. One position allows fluid to be ported to one side of the piston, extending it. The other position ports fluid to the other side of the piston, retracting it. When fluid is ported to either side, the other side is opened to allow the trapped fluid to return to the tank. A newer configuration of this same device has the solenoids and valve all in one component. It is used on the newer Mk 45 gun mount. This configuration is also discussed in chapter 5.
For more information on hydraulic systems operation, see the Navy training manual Fluid Power, NAVEDTRA 12964, and system maintenance publications.
THE HYDRAULIC-MECHANICAL OPERATION OF A LAUNCHER COMPONENT
LEARNING OBJECTIVES: Identify the major hydraulic-mechanical components used in GMLS and describe the operational function of each component.
Now that we have covered a typical accumulator type of power drive, the next logical step is to see what its PA can do for a GMLS. In the next chapter we will examine its electrical interlock control circuits. The final object for the various extend and retract signal paths was to energize a solenoid. The solenoid initiated the hydraulic-mechanical actions that actually moved the center guide.
We will first discuss the hydraulic components associated with the center guide. We will then extend the unit from its normally stowed position. As we describe these hydraulic-mechanical operations, you may find it helpful to compare the two hydraulic schematics in figure 4-24
Figure 4-24.-Center guide extend; hydraulic schematic.
(extend cycle) and figure 4-25 (retract cycle).
CENTER GUIDE HYDRAULIC COMPONENTS
The hydraulic components of the center guide include the following:
1. A solenoid assembly
2. A directional control valve
3. A hydraulic cylinder
4. Two latches
All of the components are mounted in the guide arm and are located directly above or near the center guide casting.
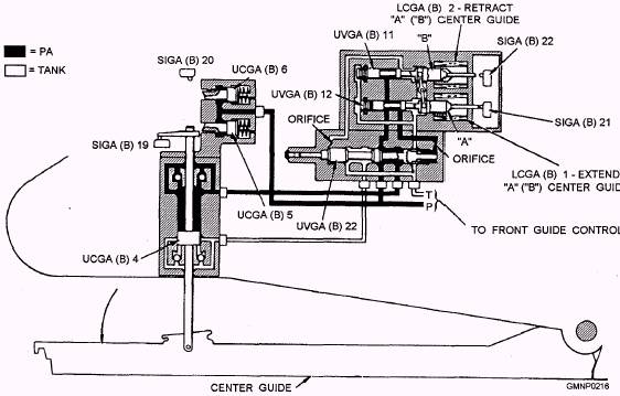
The solenoid assembly (shown in figures 4-24 and 4-25) is identified as LCGA(B)l and LCGA(B)2. It is a detente type of unit that is mounted to directional valve UVGA(B)22. Hydraulic fluid from the solenoid assembly controls the position of the directional valve.
The center guide cylinder (fig. 4-26) contains a movable piston UCGA(B)4 and four ball type of check valves. These check valves function to restrict fluid flow and slow down or cushion part of the stroke of the piston. The lower pushrod of the piston connects to the center guide casting and moves it. The upper switchrod (and arm) of the piston actuates the extended and retracted interlock switches SIGA(B)20 and SIGA(B) 19, respectively. The two spring-loaded latches UCGA(B)5 and 6 (refer to figs. 4-24 and 4-25) extend outward to engage the arm on the switchrod. The upper latch slides under the arm to lock the center guide in its retracted position. The lower latch slides over the arm to lock the center guide in its extended position.
When the GMLS is secured, the center guide is normally in the retracted position. It is held thereby the upper latch. After the GMLS is activated, PA is distributed throughout the hydraulic system. Both latches are automatically retracted when PA overcomes latch spring pressure. Since the solenoid is detented, PA is also routed through it and the directional valve to pressurize the bottom (or retract) side of the cylinder. The center guide is held in the retracted position as long as PA is available. The latches will not extend until the GMLS is secured and PA drops below latch spring tension. Figure 4-25 shows the equipment condition just described.
Figure 4-25.-Center guide retract; hydraulic schematic.
Figure 4-26.-Center guide hydraulic cylinder.
EXTEND CENTER GUIDE OPERATION
The hydraulic-mechanical actions that extend the A-side center guide begin when solenoid LCGA(B)l energizes (fig. 4-24). The detente mechanism is released and UVGA(B)12 shifts to the right. This pivots the rocker arm which shifts UVGA(B)11 to the left. The detente mechanism reengages. At this point, the interlock control circuit has done its job and, in effect, is no longer needed. The remaining actions are all strictly hydraulic and mechanical.
When solenoid valve UVGA(B)11 shifts left, it connects PA on the left end of the directional valve UVGA(B)22 to the tank. By bleeding this fluid pressure to the tank, the directional valve is free to be shitfed. When solenoid valve UVGA(B)12 shifts right, PA is connected to the right end of UVGA(B)22. This fluid pressure causes the directional valve to shift to the left. It is very common to see solenoid valves control a directional valve in this manner. By itself, the solenoid assembly cannot handle the volume requirements of the system, primarily due to its small size. By controlling a larger directional valve, the volume requirements of the system are satisfied.
The speed at which the directional valve UVGA(B)22 can shift is regulated by the two orifices in the end chamber lines. They are installed to prevent a sudden shock to the cylinder. As UVGA(B)22 shifts, it connects PA to the top (or extend) side of the cylinder. It also connects the bottom (or retract) side of the cylinder to the tank.
As PA enters the cylinder, the piston (UCGA(B)4) moves down. This extends the center guide into alignment with the front guide. The piston is tapered at its ends. As it nears the bottom of the cylinder, it gradually closes the tank port and buffs to a smooth stop. The check valves at the top of the cylinder permit a rapid, but controlled, acceleration of the piston. The check valves in the bottom of the cylinder assist in the buffering action as the piston nears the end of its stroke.
To complete the extend cycle, the arm on the switchrod has now actuated interlock switch SIGA(B)19. The switch sends an electrical signal to the coil of control relay (center guide extended) and energizes it. They open and solenoid LCGA(B)l de-energizes.
RETRACT CENTER GUIDE OPERATION
The hydraulic-mechanical operations that retract the center guide begin with energizing LCGA(B)2 (fig. 4-25). They basically reverse the extend cycle actions. We will not go into a detailed explanation of this operation. Study and compare the extend and retract hydraulic schematics and you will see the differences. Retract time is 1.17 seconds.
The GMLS center guide hydraulic-mechanical operation was relatively simple. A piston within a hydraulic cylinder was made to move. Fluid power was converted into a mechanical linear motion. Different hydraulic actuators may convert this fluid power into a rotary type of motion. However, the hydraulic answer source is still the same-an accumulator type of power
CAB TYPE OF POWER DRIVES
LEARNING OBJECTIVE Identify the major components of a CAB type of power drive system used in GMLSs.
In addition to the accumulator type of power drives, GMLSs also use CAB type of power drives. The main purpose of a CAB type of power drive is to produce a mechanical output. Through a drive train, this mechanical output is used to move or position various GMLS equipments. Launcher carriages, guide arms, loader chains, hoist chains, and RSRs are a few such examples.
The secondary purpose of a CAB type of power drive is to provide certain hydraulic fluid outputs. These fluids are usually identified as servo fluid and supercharge fluid pressures. The application of these fluid pressures is normally limited to the CAB type of power drive that produced them. This differs from an accumulator type of power drive which produced PA. PA was distributed throughout the entire general loading system and, in some cases, to all guide arm components.
A CAB type of power drive is a variable speed, bidirectional hydraulic transmission system. Its main element is a combined A-end/B-end unit or CAB unit. A hydraulic pump (A-end) is joined to a hydraulic motor (B-end) by a valve plate. Driven by a constant speed electric motor, the A-end hydraulically drives the B-end. The B-end converts fluid power into a rotary mechanical motion. The speed and direction of B-end motor rotation (output) is controlled by the A-end.
In the ordnance community, there is one other version of the CAB unit. The unit is called a "Special K" type of installation. It uses one A-end to drive two B-ends. All units are separated by transmission lines. A Special K unit is used by the Mk 13 GMLS RSR/hoist power drive. The principles of operation and many of the individual components are identical among the two (CAB and Special K). We will concentrate on the CAB type of unit.
A typical CAB type of power drive (fig. 4-27) includes the following major components:
1. A-end
2. B-end
3. Dual gear pump
Figure 4-27.-A basic CAB type of power drive.
4. Power-off brake (not shown-see figures 4-25 and 4-26)
5. Main relief valve
6. Control assembly
As we describe these components, you may find it useful to relate their operation to moving a missile launcher in train. The launcher can train in either direction (left or right) at various speeds.
A-END
The A-end pump of a CAB unit is very similar to a parallel (or axial) piston pump associated with an accumulator type of power drive. The main difference between the two is that the fluid output of an A-end can be varied in its volume and direction. The major components of an A-end are shown in the lower portion of figure 4-28, an A-end and B-end combination.
.
Figure 4-28.-A-end and B-end combination; CAB unit.
Figure 4-29.-Tilt plate, socket ring, and stroking pistons.
The A-end drive shaft connects to the output shaft of an electric motor. Usually this connection is through a small reduction gear unit and a flexible coupling. The drive shaft imparts rotation to a socket ring through a universal joint. The drive shaft also rotates a cylinder barrel through a sleeve and two lock keys. A bearing in the center of the valve plate supports and holds the drive shaft in place.
The socket ring has evenly spaced sockets for the connecting rods that drive the axial pistons of the
A-end. The socket ring rotates within a tilt plate (fig. 4-29). The bowl-shaped tilt plate turns on two integral trunnions that ride on bearings within the A-end housing. The tilt plate does NOT rotate; however, it can be moved or positioned through a limited degree of travel by the action of the two stroking pistons. In a neutral or zero-degree position, the face of the tilt plate is parallel to the face of the valve plate. The tilt plate can be turned or "tilted" a maximum of 20° either side of ZERO position.
Figure 4-30.-Valve plate.
The two stroking pistons operate inside separate cylinders located behind the tilt plate. Two sockets in the tilt plate housing are for the connecting rods of these pistons. The stroking pistons regulate the angle of the tilt plate anywhere between its 40-degree arc of travel. Any change in tilt plate angle is transmitted to the rotating socket ring. Changing the position of the tilt plate is commonly referred to as applying tilt to the A-end or stroking the A-end. An external control assembly varies the hydraulic fluid pressure(s) supplied to the stroking pistons to apply tilt.
Some CAB units have stroking pistons that are the same size or of equal area. To apply tilt to this type of A-end, the control assembly causes hydraulic fluid pressure to increase on one of the pistons and to decrease on the other. Other CAB units have stroking pistons that are different in size. The area of one piston (the large area piston) is twice that of the other (the small area piston). In this case, the control assembly continuously applies a freed (or regulated) fluid pressure to the small area piston. It also applies a controlled fluid pressure, valued at one half of regulated fluid pressure, to the large area piston. (Remember the formula for force is area times pressure-F = AP.) To apply tilt to this type of A-end, the control assembly varies the controlled fluid pressure to the large area piston. The regulated fluid pressure applied to the small area piston remains constant. With both types of installations, the tilt plate and socket ring are made to move from their neutral positions by an unbalance of forces.
The rotating cylinder barrel bears against and forms a hydraulic seal on the face of the valve plate. The barrel contains an odd number (usually nine) of evenly spaced cylinder bores. They are open on the valve plate end. Pistons in the cylinders are linked to the socket ring by connecting rods. In response to the angle of the tilt plate (and socket ring), these pistons perform the pumping action of the A-end. Hydraulic fluid is ported from the cylinder bores and into the valve plate. A small amount of hydraulic fluid is also ported through holes drilled in the pistons, their connecting rods, and socket balls. This fluid is used to lubricate the bearing surfaces in the socket ring.
The valve plate (fig. 4-30) is like a hydraulic manifold with seven internal fluid passages. It connects the A-end to the B-end, both physically and hydraulically. It also mounts external components. The two main fluid passages have crescent-shaped ports on the valve plate faces (A-end and B-end). These ports separate the intake fluid from the pressurized discharge fluid. Each of these passages is joined by another fluid
passage that leads to the main relief valve of the CAB unit. A small-diameter passage from the relief valve serves as a bleeder passage to the tank. The two remaining passages extend through the valve plate. They permit the free exchange or circulation of fluid between the A- and B-ends. This fluid exchange aids in dissipating heat generated within the CAB unit.
The operation of an A-end can be seen in the four views of figure 4-31. Remember which components
Figure 4-31.-Basic operation of the A-end.
are rotating-the drive shaft, the socket ring, the connecting rods, the pistons, and the cylinder barrel. Remember what the tilt plate and stroking pistons are doing.
View A shows the tilt plate of the A-end on exact neutral. While in this position, the length of every piston stroke is zero. No pumping action is taking place. If you are relating this operation to training a launcher, it is not moving since the pump of the A-end is not providing any output fluid. The fluid pressure in the two stroking piston chambers is either "equal" (if they are the same size) or "balanced" (if they are of different sizes).
View B shows what happens to the components of the A-end when a small degree of tilt is applied to the tilt plate. The control assembly made the bottom stroking piston extend. The connecting rod of the
stroking piston pushes the lower end of the tilt plate. The tilt plate repositions the main axial pistons. As the pistons move away from the valve plate, they draw fluid into their cylinders. Suction continues until they reach the end of their intake stroke. Meanwhile, the cylinder barrel has rotated far enough so that the pistons have passed the intake port and are approaching the discharge port.
Now, because of the tilt applied, the pistons reverse and move toward the valve plate. Fluid is forced from the cylinder and through the crescent-shaped discharge port. Actually, several pistons are drawing fluid in while several pistons are discharging. This multiple-piston operation reduces pulsations in the output of the pump. In this example, our missile launcher is training slowly to the left.
View C shows the A-end with the tilt plate at a greater angle. The pistons make longer strokes. Longer strokes mean a greater fluid output volume is supplied to the B-end. The missile launcher is now training faster to the left.
View D shows the A-end with the tilt plate positioned in the opposite direction. Note that almost all of the components have reversed their function, The upper stroking piston now becomes the controlling piston. The intake and discharge lines have reversed. However, the electric motor keeps the drive shaft and all its driven components rotating in the same direction. Our launcher is now training to the right.
drive.
B-END
The B-end is the hydraulic motor of the CAB unit. Physically, it is very similar to the construction of the A-end. A B-end converts fluid pressure from the A-end into a rotary mechanical motion. In a CAB unit installation, the B-end is secured to the opposite face of the valve plate. In the Special K type of units, the B-end(s) is/are separately mounted and receive fluid by transmission lines.
The major components of the B-end are shown in the upper portion of figure 4-28. The bearing housing, the cylinder barrel housing, and the valve plate enclose and support the other components of the motor. The unit is sealed to prevent fluid leakage.
The output drive shaft of the B-end rotates on bearings inside the bearing housing. The shaft connects to the mechanical drive train units of the power drive system. It also drives the response gearing of the B-end that provides launcher position information to the control assembly.
The socket ring of the B-end is mounted to the other end of the drive shaft. The socket ring causes the drive shaft to rotate. The socket ring is attached to the cylinder barrel by connecting rods and a drive link and pin.
The cylinder barrel bears on and rotates against the side of the valve plate face of the B-end. The cylinder barrel is bearing-mounted to a stub shaft in the valve plate face. The cylinder barrel of the B-end has the same number of cylinder bores as the A-end. The cylinders are open at their lower end to receive and return fluid to the A-end.
Just as the tilt plate of the A-end had to be tilted to develop a pumping action, the B-end must also be "tilted' to develop a rotation. In relation to the valve plate, the socket ring in figure 4-28 is installed at an angle. The socket ring of the B-end is normally placed at (about) a 30-degree fixed angle. It is sometimes referred to as the "fixed tilt plate" of the B-end.
In operation, the B-end responds directly to the A-end. If the tilt plate of the A-end is on neutral, no pumping action takes place and no fluid transfer is accomplished. The B-end is not rotating in this situation; the missile launcher is stopped.
In view A of figure 4-32, the A-end has gone off neutral and is pumping. The output fluid of the A-end acts on some of the pistons of the B-end and pushes them. Because of the imposed angle of the "fixed tilt plate," the drive shaft of the B-end starts rotating.
The speed and direction of rotation of the B-end are factors determined by the A-end. The amount of tilt of the A-end determines the speed of rotation of the B-end (small tilt, slow speed; large tilt, fast speed). As long as the A-end is on tilt, the B-end will continue to rotate. When the tilt of the A-end is removed (returned to neutral), the B-end will stop. The direction of rotation of the B-end is determined by the direction of tilt applied to the tilt plate of the A-end. View B of figure 4-32 shows the reaction of the components of the B-end when fluid flow is reversed.
DUAL GEAR PUMP ASSEMBLY
The dual gear pump assembly (fig. 4-33) of a CAB
type of power drive is better known as the servo and supercharge pump assembly. The pump housing is physically mounted to the aft end of the electric motor. When the motor is running, a common drive shaft turns both gear pumps. (Meanwhile, the forward end of the electric motor is also driving the A-end.)
The dual gear pump housing is similar to that described with a single gear pump of an accumulator type of power drive. (Refer to fig. 4-20.) A divider plate separates the two pumping chambers. The larger gearset belongs to the servo pump. The smaller gearset is for the supercharge pump. Both pumps share a
Figure 4-32.-Basic operation of the B-end.
Figure 4-33.-Dual gear pump assembly.
common intake or suction port. They draw their fluid through a suction screen/strainer in the main fluid supply tank.
Two separate output lines direct the discharge fluids to a valve block assembly. Here the fluids are filtered, controlled, and regulated. The servo fluid normally charges a small accumulator and is distributed to the hydraulic system of the power drive. Servo fluid pressure is the higher of the two and, as mentioned before, normally ranges between 400 and 500 psi. It is used for control purposes, primarily in the control assembly of the power drive.
Supercharge fluid pressure is the lower of the two. It does not charge an accumulator and only averages around 100 psi. Supercharge fluid is supplied directly to the CAB unit. Here it compensates for or replenishes fluid lost through internal slippage and leakage.
POWER-OFF BRAKE
The power-off or brake of a B-end of a CAB type of power drive is connected to the output drive shaft of the motor of the B-end. (Refer to fig. 4-34.) When the brake is released, the power drive and the driven equipment are free to move. When the brake sets, it halts the movement of the equipment during a power failure. When the brake is set, it secures the equipment against the roll and pitch of the ship. It also provides for manual hand crank operations during emergency, installation, or maintenance procedures. Some GMLSs use a pneumatic drive mechanism instead of a hand crank, but the force is still applied to the power-off brake.
The main components of a power-off brake are shown in figure 4-35. The lower end of the brake shaft is coupled to the output shaft of the B-end through a gear reduction unit. The other end of the brake shaft is splined to a set of inner friction discs. These inner discs are alternated with outer friction discs. The inner discs rotate with the brake shaft as the B-end turns. The outer set of friction discs is splined to a disc housing. The disc housing and outer discs are fastened to a worm gear drive. The worm shaft extends outside the brake housing and provides for either manual or pneumatic drive connections.
A spring-loaded pressure plate at the top of the brake housing bears against the upper inner disc. The pressure plate is operated by a brake-release piston. Braking action occurs when the pressure plate presses the rotating inner discs into (friction) contact with the stationary outer discs. Through a positive gear-drive relationship between the brake shaft and the drive shaft of the B-end, the load (launcher) comes to a halt.
Figure 4-36 shows a simplified schematic of the "set" and "released" positions of a power-off brake. When the power drive is secured (view B), there is no
Figure 4-34.-Interaction between a basic CAB type of power drive and a control assembly.
Figure 4-35.-Power-off brake.
hydraulic fluid pressure (normally servo fluid pressure) on (or under) the brake-release piston. The springloaded pressure plate forces the friction discs into a braking engagement. Manual or pneumatic drive can now be accomplished by rotating the worm shaft, commonly called "driving through the brake."
During normal power drive operation, servo fluid pressure is ported to the brake-release piston. By "lifting the brake," the friction discs separate, as shown in view A. This action permits free rotation of the brake shaft and the drive shaft/equipment of the B-end.
When an operating power drive is shut down, either normally or through a power failure, a power-off brake solenoid ports the servo fluid pressure to the tank, The pressure plate springs "set the brake." Should a sudden power failure occur, the equipment will not come to a
Figure 4-36.-Power-off brake operation.
screeching, abrupt stop. Hydraulically controlled valves in a nearby valve block govern or meter the servo fluid of the piston returning to the tank. This action quickly sets, releases, sets (and soon) the brake to bring the equipment to a smooth and controlled st
MAIN RELIEF VALVE
The main relief valve of a CAB type of power drive serves two primary purposes. First, it protects the CAB unit from excessive fluid pressure conditions. Second, it prevents cavitation of the A-end by directing supercharging fluid to the pump.
The main relief valve (also called a safety relief valve) mounts to the outside of the valve plate. (External location can be seen in figs. 4-27 and 4-28.) The valve is connected into both main fluid passages that join the A-end and B-end. In this manner it protects the CAB unit when the A-end is tilted in either direction.
The valve is classified as a compound-relief valve since a small pilot valve controls a larger main valve. The simplified schematics of the main relief valve (figs. 4-37 and 4-38) show its major component parts. The valve works on the differential-in-pressure principle. The area of the main valve plunger exposed in chamber A is equal to the area exposed in chamber B. These two areas combined are equal to that area exposed in all of chamber C. Therefore, the fluid pressure in either chamber A or chamber B must be slightly more than twice the fluid pressure in chamber C to unseat the main valve plunger.
Depending on the direction of CAB rotation, fluid pressure (from the A-end) may build up in either chamber A or chamber B. When the A-end is not pumping, supercharge fluid pressure fills these chambers. The main relief valve fumctions during power drive start, normal, and excessive fluid pressure conditions. The fluid pressures involved are supercharge, servo, and a variable high pressure from the A-end and the tank.
Start Condition Operation
To understand the operation of the main relief valve when the power drive is initially started, you must realize two facts. First, fluid pressures developed by hydraulic systems do not instantly reach their normal levels or values. It takes a few seconds for fluid pressures to buildup to a normal, or at least a minimum, level before they can be effective. Second, tilt plates "drift" or tend to come off neutral at the A-end when the power drive is secured. This means that when the power drive is restarted, the pistons of the A-end are automatically positioned to start pumping to the B-end. The B-end would rotate and move the equipment. This
Figure 4-37.-Start condition of a main relief valve. 4-28
Figure 4-38.-Normal condition of a main relief valve.
could result in damage to certain components (like a power-off brake). It is also dangerous to life and limb if you are unable to jump out of the way fast enough.
The main relief valve performs two important functions when a power drive is started. It directs supercharge fluid, which builds to its low pressure (100 psi) very quickly, to the A-end and power-off brake lines. This initially fills the system to compensate for fluid lost through leakage or which "drained from the lines while the system was secured. The main relief valve also prevents an off-neutral A-end from driving the B-end through a set brake. Refer to figure 4-37 as we see how these actions are performed.
Supercharge fluid enters the relief valve and unseats the No. 1 and No. 2 ball type of check valves, The No. 1 check valve permits fluid to fill chamber A and one transmission line (A) to the A-end. The No. 2 check valve permits fluid to fill chamber B and the other transmission line (B) to the A-end. The double-check valve is also unseated. It allows supercharge fluid to act on the pilot valve. The 100-psi pressure of supercharge fluid is not enough to shift the spring-loaded pilot valve. Therefore, supercharge fluid flows through the lands of the pilot valve plunger and fills chamber C. It is also directed to the brake-release valve. Supercharge fluid initially assists in keeping the brake set until servo fluid pressure can build up and take over. Since the supercharge fluid pressures in chambers A, B, and C are all equal and acting on the same-size areas (A + B = C), they cancel each other. The large spring of the main valve plunger is rated at about 75 pounds of force. It is the only force holding the valve downward on its seat.
If the A-end is on neutral, there will be no problems or pumping action. If the A-end is not on neutral, one of the transmission lines (line A or line B) will be pressurized. Let's say line A is the pressurized line. Line B is the suction or return line.
As fluid pressure of the A-end enters chamber A, it seats the lower ball of the double-check valve. It also seats check valve No. 1 in the supercharge fluid pressure line. Spring pressure on the pilot valve plunger holds it downward. With the main valve held on its seat by only a 75-pound spring force, any fluid pressure above 75 psi of the A-end causes the main valve to lift. The excess fluid pressure is ported back to the suction line of the A-end (through line B) and bypasses the B-end. The maximum fluid pressure buildup between the A-end and B-end is limited to about 75 psi. That is not enough to move the brake-held B-end.
When the power-off brake solenoid energizes, it positions the release power-off brake and main relief control valve. The valve is positioned so it ports servo fluid pressure to the top of the main valve plunger. This action seats the main relief valve. With servo fluid pressure on top of the main valve, the pilot valve regulates the pressure in the main relief valve.
Will the main relief valve stay in this condition? No, because, as other fluid pressures build in the system, the control assembly automatically returns the A-end to neutral. Pumping action quickly stops and the main relief valve returns to its seat.
op.
Normal Condition Operation
When all system fluid pressures are available and the GMLS is ready to operate, the main relief valve assumes its normal condition (fig. 4-38). The pilot valve is set to maintain about one half of the fluid pressure of the A-end in its middle chamber. When the A-end goes tilt, high-pressure fluid from line A flows through the diagonal passage drilled in the bottom land of the pilot valve. This high-pressure fluid fills the chamber below the land and forces the plunger of the pilot valve to rise. The lower land moves over variable orifice M while the upper land moves toward variable orifice N.
The plunger is now in its middle position; orifice M is not quite closed and orifice N is just barely open. Only a small amount of high-pressure fluid is allowed to escape to the tank. Very minor overpressure conditions can be relieved this way. Should a small overpressure condition occur (beyond what the pilot valve can handle), the main relief valve will unseat by a few thousandths of an inch. The small overpressure in line A is bypassed to low-pressure line B. In actuality, both the pilot and main relief valves are constantly making these minor adjustments or shifts to maintain CAB unit fluid pressures within normal limits.
Excessive Fluid Pressure Condition Operation
Should the A-end develop an excessive fluid pressure condition, the pressure in the lower chamber of the pilot valve increases dramatically. (Refer to fig. 4-38.) The pilot valve shifts upward, fully closing orifice M and opening orifice N. Fluid in chamber C is vented to the tank through the plunger of the pilot valve. This decreases the force or pressure holding the main valve down.
The excessive fluid pressure in chamber A (or B) now offsets the force of the spring of the main valve. The plunger of the main valve lifts. This action limits pressure of the A-end in the CAB unit to a preset maximum and prevents damage to the power drive.
CONTROL ASSEMBLY
The control assembly of a CAB type of power drive is also known as a receiver-regulator. Basically stated, the control assembly controIs power drive operation. Figure 4-34 shows the general relationship and interactions of the control assembly with the rest of the power drive components.
A control assembly is a complex arrangement of electrical, hydraulic, and mechanical components. It receives electrical signals that order the driven equipment to a new position. Components within the control assembly determine the difference between the existing (or actual) position and the ordered position. The difference (or error) is eventually transformed into hydraulic valve movements. These valve movements cause the stroking pistons to shift and apply tilt to the A-end. This drives the B-end and driven equipment to the ordered position.
As the equipment moves to the new position, it is continually feeding back information to the control assembly. This feedback is known as response and involves A-end and B-end inputs. As the equipment nears the ordered position, feedback reduces the position-difference (or error) in the control assembly. Through either a decreasing electrical error signal or a mechanical limiting action, the angle of A-end tilt decreases. This action decelerates the moving equipment until it stops at the ordered position.
The description of a control assembly has purposely been brief. In chapter 5, we will examine the different types of GMLS control assemblies in more detail. For now though, concentrate on the hydraulic-mechanical aspects of a CAB type of power drive, primarily the CAB unit.
76-MM 62-CALIBER GUN MOUNT MARK 75 HYDRAULIC SYSTEM
LEARNING OBJECTIVE: Describe the hydraulic system and components used in the Mk 75 gun mount.
The hydraulic system for this gun mount provides hydraulic pressure for operation of the ammunitionhandling system and the cold recoil jacks. The hydraulic power unit (fig. 4-39) supplies the fluid system and develops the pressure for operation of the hydraulic components in the system. The five main
Figure 4-39.-Hydraulic power unit.
assemblies of the hydraulic power unit are the hydraulic oil tank, the filter, the motor and pump, the accumulator, and the bypass assemblies.
HYDRAULIC OIL TANK ASSEMBLY
The hydraulic oil tank assembly serves as a reservoir and expansion chamber for the hydraulic
fluid. It also provides a static head of pressure for the hydraulic system. Corrugated external surfaces on the tank help dissipate heat generated by the system. An oil level indicator provides a means to quick-check the quantity of hydraulic fluid in the system.
FILTER ASSEMBLY
A full-flow cartridge type of filter assembly removes contaminants from the hydraulic fluid as the fluid flows through the filter element. The filter is in the return line to the hydraulic oil tank.
MOTOR AND PUMP ASSEMBLY
An electric motor drives a gear pump that supplies hydraulic fluid under pressure to the several components of the hydraulic system. A flexible coupling connects the motor to the pump.
ACCUMULATOR ASSEMBLY
The accumulator assembly serves to cushion pulsations in the hydraulic system. It also stores a supply of pressurized hydraulic fluid to augment pump delivery during brief periods of peak demand. A
Figure 4-40.-Revolving magazine and screw feeder.
nitrogen charge in the accumulator keeps a constant preestablished head of pressure in the system. The accumulator is connected to a pressure gauge and has a safety valve to prevent damage from overpressures on the system.
BYPASS VALVE ASSEMBLY
The bypass valve assembly reduces the starting load on the electric motor and the pump. As the motor starts, the bypass valve ports the pump output to the tank until the motor reaches operating speed. When the motor and the pump are shut down, the bypass valve automatically dumps the accumulator pressure to the hydraulic oil tank.
LOWER GUN-LOADING SYSTEM
The lower gun loading system supplies ammunition to the upper gun-loading system. A revolving magazine and a screw feeder are the principal parts of the lower gun-loading system.
Revolving Magazine
The revolving magazine (fig, 4-40) stows ammunition and delivers it to the screw feeder. Ammunition stowage cells in the magazine are arranged in two concentric circles-an inner circle and an outer circle. The circles hold 70 ready-to-fire rounds of ammunition. As the magazine rotates, ammunition passes from the outer circle to the inner circle.
Screw Feeder
The screw feeder (fig. 4-41) receives ammunition
from the revolving magazine and hoists ammunition to
the last station screw feeder for delivery to the upper
fun-loading system. A hydraulic motor, driving through a hoist reduction gear assembly, rotates the screw feeder and drives the hoist lift pawl assemblies. The revolving magazine is geared to the screw feeder so both the screw feeder and the revolving magazine rotate in unison.
Figure 4-41.-Screw feeder and related components.
Figure 4-42.-Upper gun-loading components.
UPPER GUN-LOADING SYSTEM
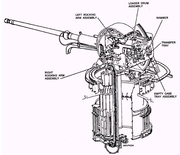
The upper gun-loading system (fig. 4-42) positions and holds ammunition for ramming into the gun barrel chamber. A pair of rocking arm assemblies, a loader drum assembly, and a transfer tray mechanism assembly are the principal parts of the upper gun-loading system.
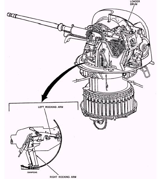
Rocking Arm Assemblies
Right and left hydraulically operated rocking arm assemblies (fig. 4-43) transfer ammunition from the last station screw feeder to the loader drum. The two rocking arms differ somewhat in configuration but function in the same manner. Both arms pivot on a shaft that passes through the left trunnion of the slide assembly.
In operation, the rocking arms have a swinging motion and move alternately in opposite directions. When one arm is at the end of its upward travel to
Figure 4-43.-Rocking arm assemblies.
Figure 4-44.-Location of loader drum assembly.
deliver a round to the loader drum, the other is at the end of its downward travel to take around from the last station screw feeder.
Hydraulically and mechanically operated clamps at each end of the rocking arms hold ammunition while in transit between the screw feeder and the loader drum. When a rocking arm reaches the loader chum, the clamps on the raised arm open to release around to the loader drum. Simultaneously, the clamps on the lowered arm close to take a round from the last station screw feeder.
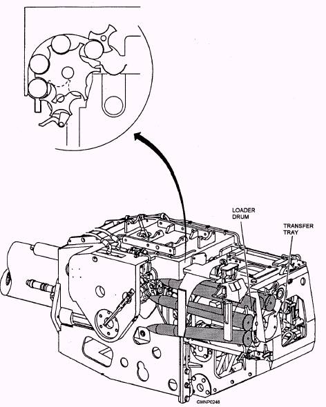
Loader Drum Assembly
The hydraulically operated loader drum assembly (fig. 4-44) is synchronized with the operation of the rocking arms. The loader drum has two shaft-mounted disks (star wheels) with U-shaped cutouts to receive ammunition from the rocking arms. A round received by the loader drum is moved, one position at a time, through four stations. From the last station, upon completion of the firing circuit, a round is deposited in the transfer tray for ramming into the gun barrel chamber.
A set of star wheels below the loader drum accepts ammunition from the rocking arms and transfers it to the loader drum. Another set of star wheels (not shown) is geared to the loader drum. These star wheels receive ammunition from the loader drum and deposit it into the transfer tray.
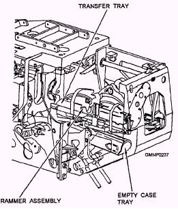
Transfer Tray Mechanism Assembly
The transfer tray mechanism assembly (fig. 4-45), within the slide, receives ammunition from the loader drum and positions it for ramming into the gun barrel
Figure 4-45.-Transfer tray mechanism assembly.
chamber. The transfer tray is connected to the upper part of the slide and, through linkages, to the breech housing support. During recoil and counterrecoil actions of the gun, the transfer tray moves in an up and down swinging arc.
As the gun moves in recoil, the transfer tray swings from the DOWN position to the UP position. In the UP position, the transfer tray is aligned with the loader drum to receive a round.
The empty case tray is attached to the lower part of the transfer tray frame. As the gun recoils, the empty case tray moves up into alignment with the breech end of the barrel to receive the spent cartridge case. As the gun moves in counterrecoil, the loaded transfer tray swings from the UP position to the DOWN position to align the round for ramming into the barrel chamber.
The rammer assembly is within the transfer tray mechanism assembly. Movement of the transfer tray operates the rammer assembly. As the tray moves to the DOWN position (in counterrecoil), the rammer assembly extends, performing two functions: (1) it rams a round into the gun barrel chamber and (2) it pushes the ejected spent case of the previously fired round out of the empty case tray into the empty case ejector chute. The spent case then ejects through the chute and out of the gun mount.
EQUILIBRATOR AND COMPENSATOR ASSEMBLIES
The equilibrator and compensator assemblies (fig. 4-46) operate together to perform three functions:
1. Counterbalance the gun.
Figure 4-46.-Equilibrator and compensator assemblies. 4-36
2. Compensate for the shifting center of gravity of the barrel and breech assemblies that occurs during recoil/counterrecoil and during elevation/depression movements.
3. Stop counterrecoil movement of the gun if a short recoil fails to eject the empty powder case from the gun barrel.
The equilibrator is attached to the bottom of the carriage and extends down inside the revolving magazine assembly. It consists of an equilibrator cylinder assembly and two sets of coil springs. A steel cable extends from a spring seat at the bottom of the equilibrator to the elevation arc. In operation, the coil spring tension pulls on the steel cable to counterbalance the gun as it elevates and depresses.
The compensator assembly is a hydraulic cylinder attached to the slide above and parallel to the gun barrel. A hydraulic line connects the compensator assembly to the equilibrator cylinder assembly in the equilibrator.
As the gun recoils and counterrecoils, the porting of hydraulic fluid between the compensator assembly and the equilibrator cylinder assembly changes the position of the upper spring seat in the equilibrator. This, in turn, varies the counterbalancing spring tension on the steel cable attached to the elevation arc. As the gun moves back in recoil, less counterbalancing force is needed; conversely, when the gun moves forward in counterrecoil, more counterbalancing force is needed.
The compensator assembly prevents the flow of hydraulic fluid into the equilibrator cylinder if a short recoil fails to bring the gun back to the hooks position (or if the hooks fail to engage the gun). This prevents counterrecoil of the gun.
SLIDE ASSEMBLY
The slide assembly (fig. 4-47) is suspended between the two trunnion supports. The slide serves as a support structure for the gun mount components that elevate and depress. The main components of the slide are the following:
1. Breech mechanism
2. Recoil/counterrecoil system
3. Recoil/counterrecoil dampers
4. Cold recoil jacks
5. Gun port shield
6. Elevation arc
7. Trunnions
8. Firing cutout mechanism
Figure 4-47.-Slide assembly.
9. Counterrebounding mechanism
Only the recoil/counterrecoil system and cold recoil jacks will be discussed in this chapter. For a detailed description of the MK 75 slide assembly, refer to
Technical Manual for 76-mm 62-Caliber Gun Mount Mark 75 Mods 0 and 1, Description and Operation, SW314-AO-MMM-A1O series.
Recoil/Counterrecoil System
The recoil/counterrecoil system (fig. 4-48) controls movement of the gun during the recoil and counterrecoil strokes. The system consists of two recoil cylinders, connected hydraulically to a recuperator, and performs five functions:
1. Absorbs gun recoil force to ensure prescribed recoil lengths
2. Maintains a nearly constant recoil force throughout the recoil stroke
3. Stores energy to return the gun to battery
4. Regulates the counterrecoil stroke to keep it within the prescribed rate-of-fire limits
5. Brakes recoil and counterrecoil movement at the end of their strokes
The recuperator is a hydropneumatic device having separate chambers for hydraulic fluid and nitrogen.
Figure 4-48.-Recoil/counterrecoil system.
During the recoil stroke, the energy developed by the recoiling gun is absorbed by the recuperator and the recoil cylinders. The energy absorbed by the recuperator is stored as pressure by compressing the nitrogen. The energy absorbed by the recoil cylinders is dissipated by the resistance to the flow of hydraulic fluid through throttling grooves between the stationary and moving parts of the cylinders.
During counterrecoil, the energy, stored in the recuperator as pressure, moves the gun from its maximum recoil position to the gun-at-hooks position. When the gun is released by the gun releasing mechanism, the pressure stored in the recuperator moves the gun to the in-battery position. In this phase of counterrecoil, the recoil cylinders act as stroke regulators and release energy stored by the recuperator at a regulated rate.
Cold Recoil Jacks
Two hydraulic cold recoil jacks (fig. 4-49) are on the forward part of the slide. The recoil jacks are primarily for maintenance work to move the gun in and out of battery. They also move the gun to the hooks position in preparation for firing.
Figure 4-49.-Location of cold recoil jacks.
AMMUNITION-HANDLING SYSTEM
The ammunition-handling system (fig. 4-50) for the gun mount moves ammunition from the revolving magazine to the last station loader drum where the ammunition is subsequently deposited into the transfer tray, rammed, and fired. The ammunition-handling system holds a maximum of 80 rounds of ammunition. When around is fired, each of the other rounds advances one position.
The ammunition-handling system consists of the revolving magazine, the screw feeder and hoist system, the right and left rocking arm assemblies, the loader drum assembly, and the hydraulic power unit. The entire ammunition-handling system moves with the gun mount in train. The loader drum, which is mounted within the slide, moves with the gun in elevation.
The hydraulic power unit, mounted on the carriage, provides the hydraulic pressure to operate components of the ammunition-handling system. A hydraulic motor drives the revolving magazine and the screw feeder and hoist. Hydraulic cylinders drive the rocking arm and loader drum assemblies.
Ammunition is manually loaded into the revolving magazine, which holds 70 rounds. The ammunition is held vertically in two concentric circles of stowage cells; each circle holds 35 rounds. The revolving magazine turns when the hydraulic motor rotates the screw feeder.
Figure 4-50.-Ammunition-handling system.
During rotation of the revolving magazine and screw feeder (fig. 4-51), around moves from the inner circle of stowage cells to the screw feeder. When a round leaves the inner circle of cells, around from the outer circle replaces it, leaving an empty stowage cell in the outer circle.
When a round reaches the screw feeder, it is lifted in a spiraling reamer by hoist lift pawl assemblies of the hoist as the screw feeder rotates (fig. 4-52). The screw feeder, with a capacity of six rounds, delivers a round to the rocking arms. The rocking arms alternately raise the rounds to the loader
Figure 4-51.-Movement of rounds in revolving magazine.
Figure 4-52.-Ammunition flow diagram.
drum (fig. 4-53). While one rocking arm is lifting a round to the loader drum, the other arm is returning empty to take the next round from the screw feeder.
The loader drum has a capacity of four rounds. As the loader drum receives around from the rocking arm,
it rotates to deposit the round in the last station loader drum and then into the transfer tray for subsequent ramming and firing (fig. 4-54). The last station loader drum is the last station of the ammunition-handling system; a round at this station can advance to the
Figure 4-53.-Movement of rounds from screw feeder to loader drum.
Figure 4-54.-Movement of rounds in loader drum.
transfer tray only when all conditions of the firing circuit are satisfied.
Upon completion of the firing circuit, the round in the last station loader drum is moved onto the transfer tray, rammed, and fired. At the same time, a rocking arm takes a round from the screw feeder to the loader drum. The screw feeder lifts around to replace the one removed by the rocking arm, and the revolving magazine delivers another round to the screw feeder.
Figure 4-55.-Gun-loading system general components.
5-INCH 54-CALIBER GUN MOUNT MARK 45 HYDRAULIC SYSTEM
LEARNING OBJECTIVES: Describe the hydraulic system and components used in the Mk 45 gun mount. Explain the mechanics of pneumatic systems used in ordnance equipment.
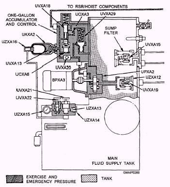
The MK 45 hydraulic system is divided into two components: stationary and rotating (fig. 4-55). The stationary gun-loading system components are in the loader room and in the ammunition-handling room-a compartment one or more decks below the loader room. The stationary components are a loader drum, the fuze setter, a hydraulic power source (lower accumulator), and a lower hoist (if required). 'The rotating hydraulic components are a cradle and rammer, a breech mechanism, an empty case ejector, an empty case tray, recoil-counterrecoil system, some components of the slide, and a hydraulic power source (upper accumulator). The slide itself is primarily a supporting structure and a counterbalance for the gun barrel. .
LOWER ACCUMULATOR SYSTEM
The lower accumulator system (fig. 4-56), mounted in the loader room, provides the hydraulic power for operating the lower hoist, the loader drum, the fuze setter, and the upper hoist. The major components of the system include a main supply tank, a header tank, a
Figure 4-56.-Lower accumulator system.
main motor and pump, an exercise and emergency power drive, hydraulic controls, and an accumulator.
Lower Hoist
The lower hoist (fig. 4-57) provides a means for ammunition handlers (members of the gun mount crew)
Figure 4-57.-Lower hoist.
Figure 4-58.-Loader drum.
Figure 4-59.-Fuze setter.
to onload 5-inch 54-caliber ammunition into the loader drum from a remote station. It also provides a means for striking down ammunition into the ship's ammunition room.
Loader Drum
The loader drum (fig. 4-58) receives and stows ready service ammunition, positions the rounds for fuze setting, and ejects them-one by one-into the upper hoist. A rotating drum indexes as a unit within the cagelike support structure of the loader drum.
Fuze Setter
The fuze setter (fig. 4-59), an electrohydraulic device mounted atop the support structure for the loader drum, sets mechanical time (MT) or control variable time (CVT) fuzes on projectiles positioned for mechanical fuze setting in the transfer station. The coil assembly, at the base of the fuze setter, energizes to set the ESFs electronically (electronically settable fuzes).
Upper Hoist
The upper hoist (fig. 4-60) receives a round from the loaded drum and, in turn, transfers the round to the cradle for ramrning into the gun breech. Upon receiving around, the upper hoist raises it to the cradle, a pivoting tube attached to the rotating structure above deck. A pawl on the open-end chain within the upper hoist tube raises the round and then lowers it into position for the next load cycle. Also, the upper hoist can receive (unload) ammunition from the cradle. Ammunition handlers remove the round through a projectile unloading door and a powder case unloading door on The upper hoist. The lower accumulator system operates the raise cycle of the upper hoist. The upper accumulator system operates the lower cycle of the upper hoist. For example, if you have only the lower system lit off and raise the upper hoist, it will not lower until the upper system is energized.
Figure 4-60.-Upper hoist.
UPPER ACCUMULATOR SYSTEM
The upper accumulator system (fig. 4-61), mounted on the carriage, provides the hydraulic power for operating the gun-loading components on the rotating structure: the cradle, the rammer, the breech mechanism, two recoil pistons, the empty case tray, and the empty case ejector. The major components of the upper accumulator system include a main supply tank, a main motor and pump, an exercise and emergency power drive, hydraulic controls, a main accumulator, and an emergency accumulator. The main supply tank also stores hydraulic fluid for the train and elevation system.
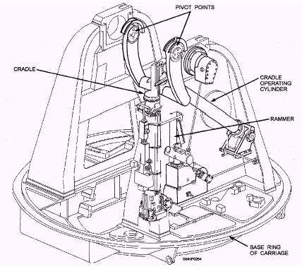
Cradle
The cradle (fig. 4-62) is a pivoting tube that transfers ammunition between the upper hoist in the loader room and the slide in the rotating structure. When in the DOWN position, the cradle aligns with the upper hoist; when in the UP position, it aligns with the gun bore.
Figure 4-61.-Upper accumulator system.
Figure 4-62.-Cradle and rammer. 4-48
Rammer
The rammer, a chain-operated pawl inside the cradle, rams the round into the breech when the cradle latches into alignment with the gun bore. The gun barrel housing is a mounting block for the gun barrel, the breeze mechinanism, and the two recoil pistons (or cylinders).
Breech Mechanism
The breech mechanism (fig. 4-63) opens and closes the breech, extracts spent powder cases or guided
Figure 4-63.-Slide and slide-mounted components.
projectile (GP) shrouds from the breech, and ejects gas from the gun barrel. The main components are a breechblock, an empty case extractor, and a gas ejector.
General Operation
When the rammer transfers around from the cradle to the breech or completes the loading of a (GP) powder case behind a guided projectile (GP), the breechblock lowers to close the breech, to connect a firing cable, and to position a firing pin against the powder case primer.
When the round fires, recoil drives the gun barrel housing rearward, or out of battery position. The moving housing, which slides on horizontal keys in the slide, drives the recoil pistons against hydraulic fluid to absorb the shock and bring the recoil movement to a halt. Pressurized nitrogen then drives the counterrecoil pistons forward to put the gun barrel housing in battery position. The counterrecoil pistons also help buffer the shock of recoil.
Counterrecoil movement triggers the hydraulic actions that raise the breechblock. With the breechblock fully raised, two arms of the empty case extractor pull the spent case out of the breech and into the empty case tray. At the same time, the gas ejector releases pressurized air into the breech to clear the gun barrel of gases.
The empty case tray and the empty case ejector, mounted atop the slide, receive the spent powder case from the breech and eject it out of the gun shield and onto the weather deck. An ejector pawl moves the powder case from the empty case tray into an ejector tube, which leads to an opening in the gun shield.
The gun barrel, which consists of a tube and a liner, seats ammunition and, upon firing, imparts rotation to the projectile. Interrupted threads in the tube lock the barrel to the gun housing. Rifling in the liner imparts clockwise rotation to the projectile.
Hydraulic Control System
The servo and supercharge hydraulic system (fig. 4-64) provides pressurized fluid to control and replenish the power drives. The gear pump draws fluid from the main hydraulic tank and discharges the fluid through separate outlets. The fluid goes through filters, then on to an auxiliary relief valve block, which regulates the servo pressure to about 450 psi and the supercharge pressure to about 150 psi. This valve block also controls servo fluid to a solenoid-operated valve that sets and releases the power-off brakes.
Figure 4-64.-Train/elevation hydraulic system; block diagram.
The supercharge fluid goes to the valve plate of the hydraulic transmission. A series of check valves ensure that the supercharge fluid is always available to replace slippage losses in the transmission.
The servo fluid, through the electrohydraulic transducer and servo valve, operates the stroking pistons of the A-end. The servo accumulator stores a small amount of fluid for periods of high demand. The accumulator also reduces pressure variations of the pump and pulsations of the relief valve.
For a more detailed description of the Mk 45 hydraulic system, refer to Technical Manual for 5-Inch 54-Caliber Gun Mount Mark 45, NAVSEA SW323-D1-MMO-010 series.
ACTUAL GMLS POWER DRIVES
LEARNING OBJECTIVE: Explain the operation of power drive systems in the various types of GMLSs.
Accumulator and CAB type of power drive systems provide a GMLS with all the hydraulic fluid forces needed to perform its functions. The primary difference between the two systems involves what their output does for the GMLS. Accumulator type of power drives produces a supply of hydraulic fluid under pressure to operate the general GMLS equipment. Electrically controlled solenoids direct this pressurized fluid to operate hydraulic cylinders, for example. CAB type of power drives produces a mechanical output that is used to position the launcher or operate a RSR and hoist. In response to electrical order signals, the control assembly governs the operation of the CAB unit.
We will now briefly examine the various power drives of the individual GMLSs. Although you will notice differences in design, physical appearances, operating fluid pressures, and so forth, the basic principles are similar.
MK 13 GMLS POWER DRIVES
The Mk 13 Mods 4 and 7 GMLSs have four hydraulic power drive units. Basically there are very few differences between the power drives of the various mods. Operating fluid pressures do vary and only average ranges will be noted.
The launcher guide power unit (LPU) is an accumulator type of power drive located in the base ring. It supplies PA to operate guide components and the blast door. A gear pump charges three accumulator flasks to develop an average operating pressure of between 1,500- to 1,600-psi PA.
The magazine RSR/hoist power drive is a Special K type of unit. One A-end drives the RSR B-end or the hoist B-end. The power drive also produces servo fluid and supercharge fluid pressures. Supercharge fluid pressures are between 100 and 150 psi. Servo fluid pressure is developed by charging an accumulator flask and is about 400 psi for all mods. This fluid is supplied to the components associated with RSR/hoist selection and drive operations. Equipments include the inner and outer RSR latches, the RSR positioner, the hoist chain shifter, and the inner and outer hoist retractable rails.
The train and elevation power drives are CAB type of units located in the upper part of the inner structure. The power drives are similar and function independently. Supercharge fluid pressure is about 150 psi for both train and elevation systems. Train servo fluid pressure is developed by a small accumulator and is about 525 psi for all mods. Elevation servo fluid pressure, also developed by an accumulator, averages around 440 psi.
MK 26 GMLS POWER DRIVES
The Mk 26 GMLS (all mods) has four primary power drive systems. Each power drive unit has a unique emergency drive capability. Also, we will encounter some different fluid pressure values. Because the Mk 26 GMLS power drives are somewhat different, especially in functional capabilities, we will present them separately.
Train Power Drive System
The train power drive system has only one purpose-to rotate the launcher in train. It is located under the launcher platform and above the ICS. One electric motor drives four pumps: (1) A-end, (2) lube pump, (3) supercharge pump, and (4) servo fluid pump.
The main unit is the integrated hydrostatic transmission and brake assembly (fig. 4-65). This assembly is an in-line or straight CAB unit and power-off brake mounted within one housing. Physically it is different; functionally it is the same as other GMLS CAB and power-off brake units. Study this figure and compare it with figures 4-28 and 4-35.
A small lube pump circulates a lubricating oil through the train reduction gear unit. The supercharge pump delivers fluid to a supercharge accumulator. Supercharge fluid pressure is developed to about 375 psi and replenishes lost fluid in the transmission unit. The servo pump delivers fluid to a servo accumulator. Servo fluid pressure is developed between 1,100 and
Figure 4-65.-MK 26 GMLS integrated hydrostatic transmission and brake assembly; typical for all main power drives.
1,400 psi. It is used to operate the train control assembly, positioner latch, and power-off brake.
Elevation Power Drive System
The elevation power drive system has two primary functions. Through its integrated hydrostatic transmission and brake assembly, it elevates and depresses the guide arms. Through its accumulator system, the elevation power drive supplies PA to operate the guide arm components. The elevation power drive is located within the launcher carriage. One electric motor drives three pumps: (1) A-end, (2) supercharge pump, and (3) guide arm PA pump.
The transmission unit and the supercharge pump function like those of the train power drive system. Elevation supercharge fluid pressure is only developed to about 150 psi, however.
The guide arm PA pump (gear type) delivers a volume of fluid to charge a piston type of accumulator (fig. 4-66). Guide arm PA is developed between 1,350 to 1,525 psi. A portion of this fluid is also ported to a pressure-reducing valve. This valve provides a 1,100-psi output which is used to charge a servo accumulator. Elevation servo fluid is derived from the guide arm PA. It is used to operate the elevation control assembly, position latch, and power-off brake.
Figure 4-66.-Piston type of accumulator; typical.
If the elevation power drive system is running but in a standby or not operating condition, a guide arm PA accumulator solenoid will energize. The solenoid shifts a valve to block the output of the accumulator to the guide arms. (Servo fluid flow is not affected and remains available to the system.) This action prevents hydraulic slippage in the guide arm components and reduces the cycling rate of the accumulator. It also reduces heat buildup in the hydraulic fluid.
RSR/Hoist Power Drive System
The magazine hydraulic system consists of the A-side and B-side RSR/hoist power drive systems. They are identical units which are located within the six-missile sections and hoist ends of the RSR structures. The electric motor of each system (A and B) drives three pumps: (1) A-end, (2) case circulation pump, and (3) accumulator pump. We will only cover one side/system.
The integrated hydrostatic transmission and brake assembly responds to orders from the RSR/hoist control assembly. The B-end provides a mechanical output to the RSR/hoist shifter assembly. Through this unit, the RSR is indexed or the hoist is raised and lowered.
The case circulation gear pump supplies a low-volume, low-pressure circulating fluid to lubricate and cool the transmission unit.
The accumulator pump (gear type) supplies fluid to the RSR/hoist accumulator system. Part of the output of the pump charges the PA/servo piston type of accumulator flask. PA/servo is developed between 1,350 and 1,525 psi and is distributed throughout the magazine equipments. These equipments include the blast door, span rail, fin opener, RSR components, hoist components, and the strikedown system. It also operates the RSR/hoist control assembly and power-off brake.
The other portion of the output of the accumulator pump is applied to a pressure-reducing valve. This valve provides the hydraulic fluid that charges a supercharge accumulator flask. Supercharge fluid pressure is developed to about 400 psi and is supplied to the transmission unit.
Emergency Drives
Each of the four power drive systems has an emergency drive capability. A small hydraulic motor is mounted to the B-end of each transmission unit. Its output shaft is coupled to the power-off brake (fig. 4-67). When the small emergency drive motor is activated, it mechanically drives through the brake and moves the equipment. The Mk 26 GMLS does not have a manual or pneumatic means to drive through its power-off brakes.
Exercise and Emergency Accumulator Type of Power Drives
The Mk 26 GMLS has three exercise and emergency accumulator type of power drive systems.
They permit limited, but total, GMLS operation under the following conditions:
1. During maintenance procedures
2. While performing or completing necessary GMLS functions should one or more main power drive systems fail
3. For operating GMLS equipments at reduced rates and fluid pressures when purging air from hydraulic components during initial start-up or after corrective maintenance actions
Figure 4-67.-Mk 26 GMLS emergency drive; typical arrangement for all power drives.
These exercise and emergency systems can be operated from any normal, alternate, or emergency 440-volt ac ship power source. Power selection is made at the PDC by the MCC operator. The major components of the exercise and emergency systems are hydraulically incorporated with components of the main power drive systems. However, no tactical operations can be performed using the exercise and emergency systems (i.e., firing a missile).
RSR/HOIST EXERCISE AND EMERGENCY ACCUMULATOR TYPE OF POWER DRIVE.- The A- and B-side RSR/hoist exercise and emergency power drives provide two alternate sources of hydraulic operating pressure. They can operate the RSRs, hoists, strikedown equipments, blast doors, and jettison devices. They also provide fluid to operate the A- or B-RSR/hoist emergency drive motors and the train emergency drive motor.
The components of an emergency power drive are shown in figure 4-68. A small electric motor drives a small gear pump located inside the main fluid supply tank for each RSR/hoist system. The output of the pump charges a small accumulator flask. Exercise and emergency fluid pressure is developed between 800 and 935 psi. The emergency fluid is then distributed to the appropriate components of the GMLS listed in the last paragraph.
Because of the small size and capacity of the components of the emergency system, the GMLS equipments operate' at greatly reduced rates of speed. Through the RSR/hoist emergency drive motor, the RSR can be indexed slowly in either direction. When selected, the hoist can be lowered with or without a missile. However, because of a weight factor, it can only be raised when it is empty.
Figure 4-68.-RSR/hoist exercise and emergency accumulator system, power drive components.
A manual transfer valve assembly (fig. 4-69) is mounted to the bulkhead in the strikedown area. Two hand-operated levers control four directional valves. They route both PA and tank fluids from the RSR/hoist power drives. These fluids are directed to the strikedown mechanism and train emergency drive. These "fluids" may be from either the main accumulator systems or from the exercise and emergency
accumulator systems. In the OFF position, the strikedown and train emergency drive equipments are isolated from any hydraulic fluid supply. When either lever is positioned to ON, operating fluid is ported to these equipments. Locking pins prevent both levers from being ON at the same time. In this manner, hydraulic fluids cannot intermix between the A- and B-side systems.
GUIDE ARM EXERCISE AND EMERGENCY ACCUMULATOR TYPE OF POWER DRIVE.-The third source of emergency hydraulic fluid is the guide arm exercise and emergency accumulator system. The components of this emergency system are physically and hydraulically part of the elevation power drive system. Reduced hydraulic fluid pressure is developed to about 815 to 935 psi. It is supplied to operate the guide arm components and the elevation emergency drive.
A manual shutoff valve assembly is mounted inside each guide arm structure. Each assembly consists of two rotary valves turned by a common operating lever (fig. 4-70). In the ON position, the valves port PA and tank fluids between the guide arm components and the hydraulic supply. These fluids can also be from the main elevation accumulator system or the guide arm exercise and emergency accumulator system. During maintenance operations or in case of a failure in one or more of the components of the guide arm, the valve may be turned to OFF. Isolating the "bad arm ensures sufficient operating pressures are still available to the other arm.
SAFETY
LEARNING OBJECTIVE: Identify safety procedures that should be used while working on power drive systems in GMLSs.
Safety is everybody's job. Awareness of danger, knowledge of how to avoid it, and constant vigilance are the three basic requirements for the prevention of accidents.
Safety is both a result and a reflection of good training. The crews of missile launching systems may be trained so that every man knows how to do his job thoroughly. However, the crew still cannot be considered well trained unless every man is safety conscious. Safe working habits must be impressed upon every crewman through proper instructions, constant drills, and continuous supervision. Carelessness, cockiness, and lack of training have led to disaster while working with all types of ordnance equipment and material.
Each piece of ordnance equipment has a specific list of safety precautions to be observed during operation and/or maintenance. Consult the safety summary of the equipment OP. Study it thoroughly before attempting to operate or repair any piece of equipment with which you are not familiar.
Any high-pressure system, hydraulic or pneumatic, is dangerous and may cause serious or fatal injuries when improperly handled. Exercise great care when operating any GMLS equipment.
Figure 4-69.-Manual transfer valve assembly; in strikedown area. 4-56
Figure 4-70.-Manual shut off valve assembly; in each guide arm.
HIGH-PRESSURE SYSTEM SAFETY RULES
The following safety rules are but a few of the many that must be observed when operating or working on hydraulic or pneumatic systems:
All hydraulic and pneumatic equipment should be installed and operated in compliance with prescribed safety precautions.
Personnel should be thoroughly trained and properly checked out on any high-pressure system before being authorized to operate the system.
Do not mix air and hydraulic fluid in a pressurized system. An explosive mixture could result (commonly known as diesel-action).
Never use oil on gauges associated with pneumatic systems. Do not use an oil gauge on an air system. Keep gauges clean at all times. Check the accuracy of gauges frequently as prescribed with maintenance requirement schedules.
Light oils, benzene, or kerosene must never be used as a cleaning or lubricating agent in a high-pressure air system. These oils vaporize easily and form a highly explosive mixture with compressed air.
Do not close or open air or hydraulic valves rapidly unless authorized to do so. Never manually actuate switches, solenoids, relays, or valves on pneumatic or hydraulic systems unless you are authorized and directed to perform these actions.
Ensure that all flexible hoses are rigidly secured to prevent them from flailing or whipping about if a connection breaks under pressure.
Inspect threads of air and hydraulic system couplings before mating. Make certain they are free of dirt, oil, and physical defects.
Adhere to test, inspection, and replacement schedules for flexible lines. Never use worn, damaged, or outdated materials.
Do not kink a high-pressure line or hose nor strike a fitting or air line that is under pressure.
Before applying air or hydraulic pressure to any connection, make sure that it is properly secured. Do not attempt to loosen or tighten any high-pressure connection while the system is under pressure.
Carefully bleed pressure from all lines before removing or loosening them. Never disconnect any pneumatic or hydraulic lines or equipment until the accumulators have been dumped to the tank and zero pressure has been verified in the system.
Immediately report any leak in an air or hydraulic system to the work center supervisor or person operating the equipment.
HYDRAULIC FLUID PRECAUTIONS
Most hydraulic fluids are flammable and can cause skin irritation if prolonged contact occurs. Change clothing immediately if drenched with hydraulic fluid and wash thoroughly.
Hydraulic fluid becomes a hazard if it is sprayed, heated to its flash point, or otherwise subjected to conditions that cause vaporization. Hydraulic fluid must never be stored in a missile stowage, testing, or maintenance area. Do not handle hydraulic fluid in the presence of electrical sparks or open flames. Hydraulic fluid should be kept in closed metal containers. Bulk supplies should be stored only in approved and authorized areas.
Spilled fluids make a surface slippery. Wipe up spilled or leaking fluid immediately. Oily rags and clothing should be stored in a closed metal container to avoid a potential fire hazard. They should be properly disposed of at the first opportunity.
PERSONNEL SAFETY PRECAUTIONS
When working with high-pressure equipments, you must wear approved safety glasses or face shields. Do not direct high-pressure air against the deck, workbench, or other equipments. Low-pressure air may be used for certain specified maintenance-related cleaning or drying tasks. Always obtain permission to use low-pressure air for these purposes. Never direct any pressurized air jet toward your (or a shipmate's) body.
During any GMLS equipment operation, keep all parts of the body clear of any component that moves as a result of pneumatic or hydraulic pressure.
Safety precautions must be observed and common sense used ALL THE TIME. Do not think that once you have learned all the applicable safety rules you can sit back and relax. Review them periodically, particularly for those jobs seldom performed. Try to improve upon any rules in effect. Safety is everyone's responsibility, not just those who drew up the regulations. Many accidents are caused by personnel who are so familiar with their jobs they think they can take shortcuts. Personnel who do not know the applicable safety precautions often are the cause of accidents. We also cannot forget the many tragic accidents caused by practical jokers. However, in the majority of instances, plain carelessness is the biggest threat, Stay alert!
AIR SYSTEMS
Most, if not all, ordnance systems use compressed air in one way or another. Though the compressed air supply system is not considered part of your ordnance equipment, it is a critical support element. In many cases, you may find that the lack of compressed air can stop the most carefully planned exercise. Many Gunners have learned the hard way-you need to check the availability of compressed air the day before an important exercise. It is extremely important that you know where your air comes from and who controls it.
The air supply system is operated and maintained by the ship's engineers. Air systems are classified by their operating pressures. In the ordnance world, we are concerned primarily with high-pressure (HP) air. We will briefly discuss the main applications of HP air in gun systems.
HP air plants and systems are generally designed to provide compressed air at a nominal operating pressure of 3,000 psi or 5,000 psi. They are installed when one of the ship's services requires a pressure in excess of 1,000 psi. They are also used when a ship's function requires a flow rate that cannot be readily supported by either a low-pressure or medium-pressure plant. HP compressed air plants support high flow demand systems by the addition of HP air storage flasks in the system. Once an adequate quantity of compressed air is stored in these flasks, the high flow rates and pressure demands can be supported by way of pressure reducing stations.
The primary use of HP air in a gun system is to operate the gas ejection system. The gas ejection system uses compressed air to evacuate gases and unburned solids from the bore after firing. Gas ejection is a high-flow system. The compressed air is pumped from the engineering space to a flask in the vicinity of the gun mount. The air is then routed through a reducer, where it is regulated to system pressure, then up to the gun where it is used.
SUMMARY
In this chapter, we have looked at some of the basic mechanical and hydraulic principles used in gun mount and GMLS equipment. We also discussed the Mk 75, Mk 45, Mk 13 and Mk 26 hydraulic systems-control equipment and HP air systems that support weapons systems operation. Most gun mount and GMLSs casualties are mechanical or hydraulic malfunction, therefore, a thorough understanding of mechanics and hydraulics is essential for the GM rating. In the next chapter, we will discuss the control circuits that regulate the operation of these devices. In chapter 12, we will describe maintenance and repair procedures for mechanical and hydraulic equipment.
ELECTRICAL AND ELECTRONIC CIRCUIT ANALYSIS
There are many electrical and electronic circuits used in ordnance equipment. These circuits perform such jobs as power supply, lighting, loading system control, train and elevation control, and overload protection. All electrical circuits are made up of basic electrical or electronic devices. These devices, individual y or working together, can delay, interrupt, isolate, or integrate electrical and electronic circuits, and prevent damage to equipment.
The purpose of this chapter is to provide functional information of how these devices are used to operate and control ordnance equipment. Portions of this chapter are based on foundational information contained in other training manuals. You are assumed to have a knowledge of the fundamental properties of electricity and how to operate a multimeter to read voltage, resistance, and amperes.
Before proceeding with this chapter, you should review the information in Navy Electricity and Electronics Training Series (NEETS), Modules 1,2,3, and 16, Introduction to Matter Energy, and Direct Current, NAVEDTRA 172-01-00-79; Introduction to Alternating Current and Transformers, NAVEDTRA
172-02-00-85; Introduction to Circuit Protection, control, and measurement, NAVEDTRA 172-03-00-85; and Introduction to Test Equipment, NAVEDTRA 172-16-00-84, respectivey.
First we will explain some of the more common electrical and electronic devices used in missile launcher and gun mount control circuits. Next we will describe the operation of the common types of control circuits and explain the procedures used to locate common failures within each circuit. We will then discuss the control system in the Mk 45, Mk 75 gun mounts and the Mk 13 Mod 4 GMLS. These control systems are similar to the Mk 26 GMLS, so the Mk 26 GMLS will not be discussed.
The final sections of this chapter are devoted to a discussion of ships power and distribution and the fundamentals of synchros and electrical safety. Safety precautions required for working with electrical and electronic equipment are provided throughout the chapter.
POWER SUPPLY AND CONTROL CIRCUIT COMPONENTS
LEARNING OBJECTIVE: Recall the electrical components used in a typical missile launcher/gun mount power supply and light-ing circuit, their function, and how they are tested.
All the mechanical, electrical, and hydraulic mechanisms in a modern gun mount/launcher are controlled by the action and interaction of the various devices of the control and power circuits. The control circuits regulate the application of power to motors and to solenoid-operated hydraulic valves. Operation of the gun mount/launcher is performed sequentially. Barring a malfunction, no action (hydraulic, mechanical, or electric) can occur out of sequence because of the interlocking action of switches, relays, and solid-state devices.
Power circuits are normally 440 VAC and are used to operate the electric motors that power the hydraulic pumps associated with the gun mount. Gun mount/launcher control circuit voltage can be ac and/or dc of any value up to approximately 30 VDC or 115 VAC. Control circuit voltage is normally supplied by gun mount/launcher transformers that step-down 440 volts ac.
CIRCUIT ELEMENTS
This portion of the chapter covers the more common electrical devices used in power and control circuits.
Indicator Lights
Indicator lights show the position of mount/ launcher components or the status of switches, solenoids, fuses, and control and power circuits.
Figure 5-1 shows a simplified circuit with a light (LI) that indicates when the motor is running. The letters L or LI are the reference designations for lights on the schematics for the older gun mounts; the new ordnance equipment uses the designation DS.
Fuses
The fuse is the simplest form of a circuit protective device. It consists of a metal alloy fusible element that melts at a predetermined value of current. Thus, if a circuit draws more current than the rated value of the fuse, the fuse opens (blows) and the circuit components are protected.
Fuses are rated according to the amount of current they can safely carry; this current is usually measured in amperes. The most common cause of fuse failure is an overloaded circuit. There are, however, other causes. Failure to set the fuse into its contacts properly can cause a fuse to open.
On schematics for older gun mounts and missile launchers, fuses are designated by the letters F or FA (fig. 5-1). On newer mounts and missile launchers, such as the 76-mm 62-caliber Mk 75 gun mount and the Mk 13 Mod 4 GMLS, fuses are designated FE on schematics.
Switches
A switch is a device used for making, breaking, or changing the connections in an electric circuit. Switches are used extensively in gun mount/launcher control circuits to start and stop motors, to turn indicating lights on and off, to channel information from one point in the system to another, and to shift system mode of operation, to name but a few of their many uses.
An essential function of any switch is to maintain a good, low-resistance contact when the switch is closed. A poor connection between switch elements produces considerable resistance. This resistance results in overheating the contact area. When heavy current is being carried by the switch and the switch contacts are opened, an arc is produced. Therefore, switches should be opened and closed quickly to minimize arcing. Usually, they are designed to have snap action.
Switches are classified by the number of poles, by the throw, or by the number of positions. The pole of a switch is its movable blade or contactor. A switch may have one or several poles. The throw of a switch indicates the number of circuits each pole can complete through the switch. The number of positions a switch has is the number of places at which the operating device (toggle, shaft, plunger, and soon) will come to rest and, at the same time, open or close a circuit. As shown in figure 5-2, switches through which only one circuit can be completed are called single-pole, single throw switches. Switches with two poles, through each of which one circuit can be completed, are described as double-pole, single-throw switches, whilethose with two poles, through each of which two circuits can be completed, are described as double-pole, double-throw switches.
Switches are also classified by method of actuation (push button, toggle, and rotary) and by the trade name
Figure 5-2.-Switch classification according to number of poles and throws.
Figure 5-1.-Power-on indication circuit.
of the manufacturer. An example of this type of classification is the microswitch.
ROTARY SWITCHES.- A rotary switch can take the place of several switches. As the knob or handle of a rotary switch is rotated, it opens one circuit and closes another. This action can be seen from an examination of figure 5-3. Most rotary switches have numerous layers called wafers or pancake sections. By adding wafers, the switch can be made to operate as a large number of switches. Rotary switches are used in gun mount equipment to select modes of operation and for many other functions.
J Rotary Switch.- The J rotary switch (fig. 5-3) consists of an equal number of rotors and pancake sections. The number of sections required in the switch is determined by the application. A shaft with an operating handle extends through the center of the rotors. The movable contacts are mounted on the rotors, and the stationary contacts are mounted on the pancake sections. Each section consists of eight stationary contacts, designated A through H, and a rotor with two insulated movable contacts spaced 180 degrees apart. Figure 5-4 shows the contact array for all pancake sections. Each movable contact is arranged to bridge two adjacent stationary contacts. The switch has eight positions. A detente mechanism properly aligns the contacts in each position of the operating handle. In one position, the rotor contacts bridge segments A-B and E-F; in the next position, the rotor contacts bridge segments B-C and F-G. Diagonally opposite pairs of contacts are subsequently bridged for the remaining positions. The various circuit leads are connected to the proper pancake terminals. To transfer circuits, you just turn the handle.
JR Rotary Switch.- The letters JR are the designation for a family of rotary switches. These switches (fig. 5-5), by a single motion, control a number
Figure 5-3.-The J multipole rotary switch.
Figure 5-4.-The J switch contact arrangement.
of switches called pancakes or wafers located on the same shaft. To achieve this control, the switch is built in layers, or wafers, along the shaft of the switch handle (fig. 5-5, view A). The number of contacts determines the type of switching circuit. Usually all the wafers in the JR switches are identical; that is, they may be all make-before-break or break-beforemake (fig. 5-5, view B). Each wafer is in itself a separate switch (fig. 5-5, view C).
Make-before-break means that as the switch is rotated the rotor contacts touch the next J pole before breaking the previous contact. Break-before-make means that as the, switch is rotated the rotor contacts leave the original pole before the movable contacts touch the new pole, In rare cases you may find a switch containing both types of switching arrangements. Extra wafers are provided for use as spares.
As the handle of the switch is turned, the rotor blades in all wafers turn simultaneously to make and break the circuits. A detente wheel is incorporated in each switch assembly to ensure proper positioning. Also, a stop plate (fig. 5-5, view A) limits the rotation of the switch by means of a stop pin. The pin is fixed in the stop plate to prevent overtravel.
The JR switch is smaller and more readily disassembled than the J switch. These two features save space and facilitate repairs. The JR switch is classified as a 1JR, 2JR, 3JR, or 4JR type.
• The 1JR switch has only one movable contact per section. This movable contact bridges two adjacent stationary contacts.
• The 2JR switch is the same electrically as the J switch and is the type used for general ordnance applications. The 2JR switch has two movable
Figure 5-5.-JR rotary switch: A. Typical switch arrangement, schematic; B. JR switch contact arrangement; C. Face view.
contacts per section, 180 degrees apart. Each used for selecting one of several (up to seven) movable contact bridges two adjacent stationary inputs. contacts.
• The 4JR switch has two movable contacts in
• The 3JR switch uses one of the stationary each wafer. The movable contacts bridge contacts as a common terminal. This three adjacent stationary contacts. stationary contact is connected, in turn, to each of the other stationary contacts of the The JR switch is stacked in multiples of five section by a single wiper contact. The 3JR is sections (up to 25 sections). In some cases, a switch with a number of sections that are not a multiple of 5 has been installed. If this switch must be replaced, a switch with the next largest number of sections that is a multiple of 5 should be installed if space permits. All sections of a switch should be the same; but, if absolutely necessary, a switch with some sections of one type and some sections of another type can be provided.
The JR switches are rated at 115 volts, 60 Hz, and 10 amperes. The switch should not be used on dc circuits because of the possibility of severely burned contacts when operated slowly (teased).
Barriers are also provided between sections to prevent terminals from turning and shorting to adjacent terminals.
If the sections are not uniform, the switch will be designated JRSP, followed by the number of sections.
The stop deck on the JR switch (fig. 5-5, view A)
permits setting the switch to the number of positions desired. By inserting pins or screws in the stop deck immediately after the desired last position, you can keep the switch from moving beyond that point.
INTERLOCK SWITCHES.- Interlock switches include a large group of switch types that are actuated manually, by mechanical linkage, or by hydraulic fluid. They act as control or protective devices and are used on all gun mounts and missile launchers.
Sensitive Switches.- The most common type of interlock switch is the sensitive switch. There are various kinds of sensitive switches with different means of actuation.
These are small, short-traveling, snap-action switches (fig. 5-6, view A). They are manufactured as normal] y open, normally closed, and double-throw. The latter has no OFF position. The microswitch is frequently used in referring to this type of switch.
Sensitive switches are usually of the push-button variety and are often used as interlock switches. These switches usually depend on one or more springs for their snap action. For example, the heart of the microswitch is a beryllium copper spring, heat-treated for long life and reliable action. The simplicity of the one-piece spring contributes to the long life and dependability of this switch.
Figure 5-6.-A. Sensitive microswitch; B. Manual push-button switch.
When a sensitive switch is used as an interlock, the plunger (push button) is actuated by mechanical means. The device for moving the plunger can include a rotating cam, lever, wedge, or bellows arrangement.
Sensitive switches of the micro type are also used as manual push-button switches on the control panels for the 5"/54 gun mounts. Figure 5-6, view B, shows a cutaway view of this type of switch. Note that this switch has indicator lamps built into the body of the switch.
Proximity Switches.- Proximity switches, also called Hall-effect switches, are extensively used on gun
Figure 5-7.-Proximity and optical switches.
mounts and missile launchers. These switches (fig. 5-7) are magnetically actuated devices that sense component positions. A typical proximity switch consists of a switch circuit and a housing with a bayonet connector on one end and an epoxied magnetic-sensitive area on the other end. The switch, enclosed in either a straight or a 90-degree switch housing, is normally mounted on a stationary component. The housing has a quick-disconnect bayonet connector that connects the internal circuitry to the gun mount control system cable.
In operation, the switch senses the position of a magnetic field. The magnet, in a protective housing, normally is mounted on a moving component. As the actuator approaches (comes into proximity), the switch actuates; as the actuator departs (not in proximity), the switch deactuates.
Optical Switch.- The optical switch is found on the upper and lower hoists of the Mk 45 Mod 1 gun to indicate the presence or absence of a projectile or propelling charge. The unit consists of an optical switch (detector) and an infrared light transmitter. On entering the hoist, the round breaks the light beam which deactivates the switch. Micro, proximity, and optical switches all provide inputs to the gun control circuits described in the next section.
Other Types of Interlock Switches.- Transistors can be used as switches in solid-state circuits. More information is presented on these switching devices later in this chapter.
Relays
A relay is simply an electromagnetically operated switch. Relays are designed to open or close a circuit when the current through its coil is applied and removed, or varied in magnitude. The main parts of a relay are a coil wound on an iron core and an armature that operates a set of contacts. A simple relay and circuit are shown in figure 5-8.
Looking at figure 5-8, if you close switch S1, current flows through the coil, energizing the electromagnet and drawing the armature upward. The action of the armature closes the contacts and power is applied to the load. More contacts can be added to the armature so that other functions may be accomplished,
The operating speed of a relay is determined by the time between the closing of the coil circuit and the closing of the relay contacts. In small specially
Figure 5-8.-SimpIe relay circuit.
designed relays, like the ones in the 5"/54 gun mount control circuits, the operating speed may be as low as 1 millisecond. The operating speed of a relay may be increased by any technique that reduces eddy currents in the core. Making the core of laminations is one method of reducing eddy currents and thus increasing the operating speed of a relay.
Another method is to place a resistor in series with the relay coil and increase the operating voltage. These actions will increase the speed of closing because, at the instant power is applied to the relay, all the voltage will appear across the coil and the magnetic field will build up faster. The speed of relay operations can be reduced by placing a heavy copper sleeve over the core of the coil. The copper sleeve has the effect of a shorted turn. Current flow in the sleeve opposes the field in the coil as it builds up or collapses, thus delaying the operation of the relay.
The type of material used for contacts depends on the amount of current to be handled. Large power relays usually have copper contacts and use a wiping action to make sure of a good connection. Small relays may use silver or some silver alloy, while in some applications tungsten or some very hard material may be used that will prevent contact burning or oxidation. In general, relays that open and close with a fast positive action cause much less trouble than those that operate slowly. Relays that malfunction or fail completely should be replaced. Relays should not be repaired.
CONTROL RELAYS.- Control relays are used in control circuits to perform switching operations automatically and in the proper sequence.
Figure 5-9.-Miniature "canned" relay.
Miniature-Type Control Relays.- Miniature relays (fig. 5-9), often called "canned" relays, are two-position hermetically housed relays with plug-in pins that mate with a receptacle. Wiring from the receptacle terminal arrangement completes electrical circuits as appropriate. Basic internal components of the miniature relay are a spring-return armature, a coil, and six sets of contacts. (Each set consists of a common contact, a normally open contact, and a normally closed contact.) When the relay energizes, the normally closed contacts (HB) open and the normally open contacts (HF) close.
Time-Delay Relays.- Time-delay relays (fig. 5-10) impose controlled time lapses into electric circuits. The relays consist of pneumatic timing units, coils and switch housings, and wiring terminals. When the coil energizes, the coil plunger acts on the diaphragm in the pneumatic timing unit. Because the relay contacts cannot make (or break) until the air escapes from the diaphragm through an adjustable orifice, the size of the orifice determines the delaying interval. The gun mounts use two types of time-delay relays: slow-make instantaneous-break (SMIB) and instantaneous-make slow-break (IMSB).
POWER RELAYS OR CONTACTORS.- The contactor (also called a power relay or motor contactor) is a heavy-duty relay used to control motor circuits. The coil of the relay is in the 115-volt start-and-run circuit, while three of the contacts (designated A, B, and C) are in the 440-volt motor circuit. Contact D is in the run portion of the start-and-run circuit. The D contact supplies an input to the control circuit which indicates that the contact is closed. There are three sizes of contractors (00, 1, and 3) used in gun mounts. Size 1 is shown in figure 5-11.
Figure 5-10.-Tlme-delay relay.
Figure 5-11.-Size 1 contactor.
The main components of the size 1 contactor area coil, an armature, a group of four stationary contacts, a group of four movable contacts (linked to the armature through a crossbar), an inertia shock latch, and an arc suppressor box that encases the contact assemblies.
When the coil energizes, the resultant armature movement pulls the crossbar upward and closes the main contacts (A, B, and C) and the auxiliary contact (D). This action, in turn, completes the 440-vo]t circuit to the associated motor. An inertia shock latch prevents the contactor from closing (if de-energized) or opening (if energized) from inertia shock. When the contactor is subjected to shock, a latch weight moves a slider bar to lock the armature in position momentarily.
The main components of the size 00 and size 3 contractors are basically the same as those of the size 1, except that the size 00 does not have an arc suppressor box. The armature of a size 3 contactor pivots to close its contacts, and it also has five sets of contacts (one more auxiliary contact than the size 1). A kickout spring inside the contactor on the size 3 opens the contacts when the coil de-energizes. This spring also prevents shock or vibration from closing the contactor.
OVERLOAD RELAY.- The overload relay (fig. 5-12) consists of a coil, a plunger, a dashpot, and a pair
Figure 5-12.-Over1oad relay.
of switch contacts. The plunger is attached to a disk suspended in an oil-filled chamber (dashpot). The coil connects in series with an associated 440-volt motor supply circuit and the switch contacts are in a 115-volt start-and-run circuit for the motor.
During normal operation, the magnetic flux induced by the coil is not great enough to cause an appreciable movement of the plunger. However, if an overload of sufficient magnitude and duration occurs, the increased current through the coil draws the plunger upward.
When the plunger and disk reach the end of their upward travel, the normally closed contacts open in the 115-volt start-and-run circuit, de-energizing the motor contactor which opens the 440-volt motor supply circuit. With the motor circuit open, the overload relay plunger drops and the relay resets.
Since the dashpot retards upward movement of the plunger disk, the circuit does not break instantaneously during an overload. Two conditions determine the delay time: (1) the size of the orifice in the plunger disk through which the oil must pass and (2) the magnitude of the overload (strength of the magnetic field).
Circuit Breakers Solenoids
Circuit breakers (fig. 5-13) have two purposes: (1) to perform switching functions and (2) to provide overload protection. Each circuit breaker consists of a housing, a seaIed trip unit, three movable contacts, three fixed contacts, and three arc chutes. Gun mount control systems use two types of circuit breakers-the magnetic trip and the thermal-magnetic trip.
Magnetic trip circuit breakers are used in the 440-volt power supply lines. They provide instantaneous protection against current surges up to 1,400 percent above the rated value of the circuit breaker. These circuit breakers have a set of auxiliary contacts (microswitches) that are wired into the control circuit to indicate the actual position of the circuit breaker contacts.
Thermal-magnetic circuit breakers are used in the 440-volt supply lines to the control transformer and in the gunhouse heating and ventilating supply lines. These circuit breakers provide instantaneous protection against current surges up to 700 percent above the rated value of the circuit breaker. A bimetal element, connected in series with a coil, provides the protection against sustained overloads.
Solenoids convert electrical inputs from control circuits into mechanical outputs that actuate mechanical linkage or hydraulic valves.
All the solenoids consist of a coil and a movable core or armature. When the coil is energized, an electromagnetic field is created that either pulls or pushes the core. A mechanical linkage is attached to and travels with the core. In response to core movement, the linkage moves something. In most cases, that "something" is a small hydraulic valve (known as a pilot valve). Shifting the pilot valve redirects system hydraulic fluid to (for example) a piston. The piston is made to move so it extends or retracts a particular GMLS or gun mount component (e.g., a latch).
The newer type of solenoid housing used in the Mk 45 gun system or Mk 13 Mod 4 and Mk 26 GMLSs (fig. 5-14) includes a nondetented two-solenoid configuration and pilot valve. (The function of the circuit board is described in a later section of this chapter.) This unit virtually replaces the older types of solenoid housings that were attached to large valve blocks to control the operation of hydraulic equipment. The small pilot valve in this solenoid unit controls the flow of hydraulic fluid to system operating pistons.
Figure 5-13.-Circuit breaker and terminal arrangements.
Figure 5-14.-Solenoid assembly.
While many times smaller, these units efficiently perform the same function as the large solenoid housing and valve block configurations. These units are also much easier to maintain. When a solenoid malfunctions, the entire unit is removed and replaced simply by removing four bolts. The unit requires no adjustment and, because of its configuration, it also requires fewer hydraulic seals that can leak and lead to time-consuming repairs.
Therefore, a solenoid plays an important role in GMLS and gun mount operation. It serves as the primary link between the electrical control system and the GMLS's hydraulic system.
The solenoid assembly shown in figure 5-14 is the type used by the Mk 13 Mod 4 and Mk 26 GMLSs and the Mk 45 gun mount. The housing of the assembly also serves as part of the hydraulic valve block. Energizing either coil pivots the lever arm. It shifts the (one) pilot valve to redirect hydraulic fluid to the associated valve block. De-energizing the coils allows the return spring to shift the pilot valve back to neutral.

Plastic Diaphragm Valves with Pneumatic and Electrical Actuators
BalasHapusSUDE Bangalore since its establishment in 1989 are positioning ourselves as a Specialized Company for Automated valves used in Process Industries and also required in all sectors of Industries in the world. Since its foundation by the undersigned in 1989 SUDE has developed with his vision who is a technocrat in Valve Automation Industry and initially started with smaller automation and later on turned to be a System Integrator in Valve Industry along with the manufacturing of Dampers (from smallest to heavy duty) having a SSI unit at Pune, Electrical Actuator under the brand name of Sdtork also located at Pune and Basis Weight valve under the brand name of Kriss Instrumentation located in Bangalore.
For more details visit :- http://www.sudeengg.com